欢迎进入北京汽车维修行业协会官方网站!
今天是
北京汽车维修行业协会
维修标准
其他标准 您的位置: 主页 > 维修标准 > 其他标准
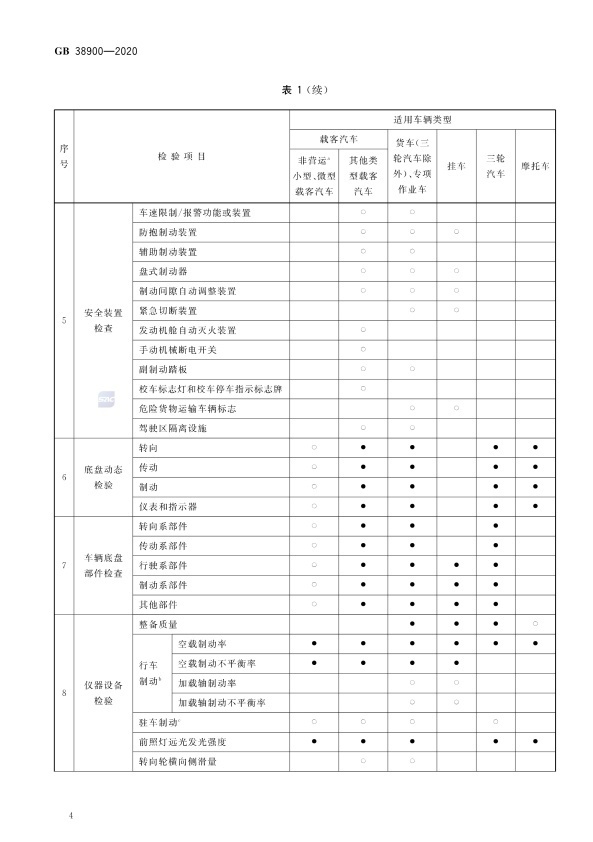
机动车安全技术检验项目和方法
2025-05-13 返回列表

GB 38900_2020(2) 机动车安全技术检验项目和方法(图1)

GB 38900_2020(2) 机动车安全技术检验项目和方法(图2)

GB 38900_2020(2) 机动车安全技术检验项目和方法(图3)

GB 38900_2020(2) 机动车安全技术检验项目和方法(图4)

GB 38900_2020(2) 机动车安全技术检验项目和方法(图5)

GB 38900_2020(2) 机动车安全技术检验项目和方法(图6)

GB 38900_2020(2) 机动车安全技术检验项目和方法(图7)

GB 38900_2020(2) 机动车安全技术检验项目和方法(图8)

GB 38900_2020(2) 机动车安全技术检验项目和方法(图9)

GB 38900_2020(2) 机动车安全技术检验项目和方法(图10)

GB 38900_2020(2) 机动车安全技术检验项目和方法(图11)

GB 38900_2020(2) 机动车安全技术检验项目和方法(图12)

GB 38900_2020(2) 机动车安全技术检验项目和方法(图13)

GB 38900_2020(2) 机动车安全技术检验项目和方法(图14)

GB 38900_2020(2) 机动车安全技术检验项目和方法(图15)

GB 38900_2020(2) 机动车安全技术检验项目和方法(图16)

GB 38900_2020(2) 机动车安全技术检验项目和方法(图17)

GB 38900_2020(2) 机动车安全技术检验项目和方法(图18)

GB 38900_2020(2) 机动车安全技术检验项目和方法(图19)

GB 38900_2020(2) 机动车安全技术检验项目和方法(图20)

GB 38900_2020(2) 机动车安全技术检验项目和方法(图21)

GB 38900_2020(2) 机动车安全技术检验项目和方法(图22)

GB 38900_2020(2) 机动车安全技术检验项目和方法(图23)

GB 38900_2020(2) 机动车安全技术检验项目和方法(图24)

GB 38900_2020(2) 机动车安全技术检验项目和方法(图25)

GB 38900_2020(2) 机动车安全技术检验项目和方法(图26)

GB 38900_2020(2) 机动车安全技术检验项目和方法(图27)

GB 38900_2020(2) 机动车安全技术检验项目和方法(图28)

GB 38900_2020(2) 机动车安全技术检验项目和方法(图29)

GB 38900_2020(2) 机动车安全技术检验项目和方法(图30)

GB 38900_2020(2) 机动车安全技术检验项目和方法(图31)

GB 38900_2020(2) 机动车安全技术检验项目和方法(图32)

GB 38900_2020(2) 机动车安全技术检验项目和方法(图33)

GB 38900_2020(2) 机动车安全技术检验项目和方法(图34)

GB 38900_2020(2) 机动车安全技术检验项目和方法(图35)

GB 38900_2020(2) 机动车安全技术检验项目和方法(图36)

GB 38900_2020(2) 机动车安全技术检验项目和方法(图37)

GB 38900_2020(2) 机动车安全技术检验项目和方法(图38)

GB 38900_2020(2) 机动车安全技术检验项目和方法(图39)

GB 38900_2020(2) 机动车安全技术检验项目和方法(图40)

GB 38900_2020(2) 机动车安全技术检验项目和方法(图41)

GB 38900_2020(2) 机动车安全技术检验项目和方法(图42)

GB 38900_2020(2) 机动车安全技术检验项目和方法(图43)

GB 38900_2020(2) 机动车安全技术检验项目和方法(图44)

GB 38900_2020(2) 机动车安全技术检验项目和方法(图45)

GB 38900_2020(2) 机动车安全技术检验项目和方法(图46)

GB 38900_2020(2) 机动车安全技术检验项目和方法(图47)

GB 38900_2020(2) 机动车安全技术检验项目和方法(图48)

GB 38900_2020(2) 机动车安全技术检验项目和方法(图49)

GB 38900_2020(2) 机动车安全技术检验项目和方法(图50)

GB 38900_2020(2) 机动车安全技术检验项目和方法(图51)

GB 38900_2020(2) 机动车安全技术检验项目和方法(图51)

GB 38900_2020(2) 机动车安全技术检验项目和方法(图53)

GB 38900_2020(2) 机动车安全技术检验项目和方法(图54)

GB 38900_2020(2) 机动车安全技术检验项目和方法(图55)

GB 38900_2020(2) 机动车安全技术检验项目和方法(图56)

GB 38900_2020(2) 机动车安全技术检验项目和方法(图57)


二维码
北京汽车维修行业协会 电话:010-67663981/87211669 传真:010-67663981 邮箱:bjqxxh@126.com 地址:北京市丰台区蒲黄榆路48号(南三环路刘家窑桥祥龙博瑞三分公司方庄丰田大楼5层)
Copyright © 2002-2017 北京汽车维修行业协会 版权所有 备案号:京ICP备19010457号   技术支持:龙腾科技