欢迎进入北京汽车维修行业协会官方网站!
今天是
北京汽车维修行业协会
维修标准
技术标准 您的位置: 主页 > 维修标准 > 技术标准
汽车故障电脑诊断仪
2025-05-13 返回列表

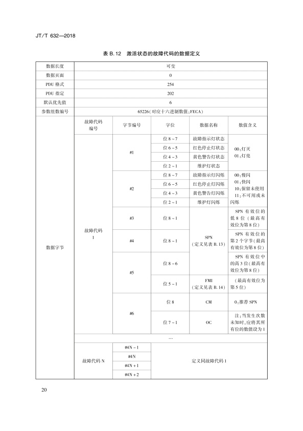
JT-T 632-2018 汽车故障电脑诊断仪(图1)

JT-T 632-2018 汽车故障电脑诊断仪(图2)

JT-T 632-2018 汽车故障电脑诊断仪(图3)

JT-T 632-2018 汽车故障电脑诊断仪(图4)

JT-T 632-2018 汽车故障电脑诊断仪(图5)

JT-T 632-2018 汽车故障电脑诊断仪(图6)

JT-T 632-2018 汽车故障电脑诊断仪(图7)

JT-T 632-2018 汽车故障电脑诊断仪(图8)

JT-T 632-2018 汽车故障电脑诊断仪(图9)

JT-T 632-2018 汽车故障电脑诊断仪(图10)

JT-T 632-2018 汽车故障电脑诊断仪(图11)

JT-T 632-2018 汽车故障电脑诊断仪(图12)

JT-T 632-2018 汽车故障电脑诊断仪(图13)

JT-T 632-2018 汽车故障电脑诊断仪(图14)

JT-T 632-2018 汽车故障电脑诊断仪(图15)

JT-T 632-2018 汽车故障电脑诊断仪(图16)

JT-T 632-2018 汽车故障电脑诊断仪(图17)

JT-T 632-2018 汽车故障电脑诊断仪(图18)

JT-T 632-2018 汽车故障电脑诊断仪(图19)

JT-T 632-2018 汽车故障电脑诊断仪(图20)

JT-T 632-2018 汽车故障电脑诊断仪(图21)

JT-T 632-2018 汽车故障电脑诊断仪(图22)

JT-T 632-2018 汽车故障电脑诊断仪(图23)

JT-T 632-2018 汽车故障电脑诊断仪(图24)

JT-T 632-2018 汽车故障电脑诊断仪(图25)

JT-T 632-2018 汽车故障电脑诊断仪(图26)

JT-T 632-2018 汽车故障电脑诊断仪(图27)

JT-T 632-2018 汽车故障电脑诊断仪(图28)

JT-T 632-2018 汽车故障电脑诊断仪(图29)

JT-T 632-2018 汽车故障电脑诊断仪(图30)

JT-T 632-2018 汽车故障电脑诊断仪(图31)


二维码
北京汽车维修行业协会 电话:010-67663981/87211669 传真:010-67663981 邮箱:bjqxxh@126.com 地址:北京市丰台区蒲黄榆路48号(南三环路刘家窑桥祥龙博瑞三分公司方庄丰田大楼5层)
Copyright © 2002-2017 北京汽车维修行业协会 版权所有 备案号:京ICP备19010457号   技术支持:龙腾科技